Service
一.背景与问题分析
随着技术发展,无刷电机自 20 世纪 60 年代起崭露头角。磁性材料性能提升与电子技术进步,为其诞生奠定基础。相较于传统有刷电机,它优势显著,应用领域也不断拓展,在汽车、家电、工业等多领域广泛应用。
二.整改前
三.整改措施
由于无刷直流电机是采用半导体开关器件来实现电子换向工作,即用电子开关器件代替传统的接触式换向器和电刷,无刷电机具有可靠性高、无换向火花、机械噪声低等特点:无刷直流电机是由永磁体转子、多极绕组定子、位置传感器等组成,位置传感器按转子位置的变化,沿着一定次序对定子绕组的电流进行换流(即检测转子磁维相对定子绕组的位置,并在确定的位置处产生位置传感信号,经信号转换电路处理后去控制功率开关电流,按一定的逻辑关系进行绕组电流切换),定子绕组的工作电压由位置传感器输出控制的电子开关电路提供。
无刷电机电磁干扰产生的根本原因是在工作过程中产生高di/dt和高dv/dt,它们产生的瞬间电流和尖锋电压形成了干扰源,根据定位分析,发现由输入DC电源线形成天线带出干扰较大,电源线影响EMC问题又分为两大类,共模(CM)和差横(DM)干扰,共模干扰是指任何载流导体与参考地之间不希望有的电位差,差模干扰则指任何两个载流导体之间不希望有的电位差,直流无刷电机控制系统内的CM和DM是由主功率电路开关管的高速开关引起。
1. 为了解决电源天线效应,在DC电源输入口增加滤波电路。
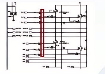
2. 在驱动MOS管的驱动引脚并吸收电容,电容预选为330pF(注意电容耐压与对MOS功率损耗)
3.在U,V,W预留滤波电容对地,电容值预选2.2nF(注意电容耐压值)
4.将信号线移到顶层或底层,让这一层有个完整的信号地
五:总结与建议
1.设计阶段预防:在跑步机设计初期引入EMC设计规范,优化电路布局和布线,降低整改成本。
2.测试与验证:在产品开发过程中进行预测试,及时发现并解决辐射问题。
3.持续改进:跟踪国内外EMC标准更新,确保产品符合最新法规要求。
